維修部不得不學的變頻器維修基礎知識(三)
九、變頻器維修入門--發光二極管的好壞測試
測試發光二極管的好壞,可以按照測試普通硅二極管正反向電阻的方法測試。指鐘式萬用表撥在R*100或R*1K檔,用黑表筆接發光二極管正極,紅表筆接負極,測得正向電阻應在20=40K;用黑表筆接發光二極管負極,紅表筆接正極,測得反向電阻應大于500K以上。用數字式萬用表撥在二極管檔,黑表筆接發光二極管正極,紅表筆接負極,阻值為無窮大。黑表筆接發光二極管負極,紅表筆接正極,發光二極管會有微亮,表示正常。測式方法如圖
變頻器維修入門--電路分析圖
對于變頻器修理,僅了解以上基本電路還遠遠不夠的,還須深刻了解以下主要電路。主回路主要由整流電路、限流電路、濾波電路、制動電路、逆變電路和檢測取樣電路部分組成。圖2.1是它的結構圖。
1)驅動電路
驅動電路是將主控電路中CPU產生的六個PWM信號,經光電隔離和放大后,作為逆變電路的換流器件(逆變模塊)提供驅動信號。
對驅動電路的各種要求,因換流器件的不同而異。同時,一些開發商開發了許多適宜各種換流器件的專用驅動模塊。有些品牌、型號的變頻器直接采用專用驅動模塊。但是,大部分的變頻器采用驅動電路。從修理的角度考慮,這里介紹較典型的驅動電路。圖2.2是較常見的驅動電路(驅動電路電源見圖2.3)。(信息來源:www.dqjsw.com.cn)

驅動電路由隔離放大電路、驅動放大電路和驅動電路電源組成。三個上橋臂驅動電路是三個獨立驅動電源電路,三個下橋臂驅動電路是一個公共的驅動電源電路。
2)保護電路
當變頻器出現異常時,為了使變頻器因異常造成的損失減少到最小,甚至減少到零。每個品牌的變頻器都很重視保護功能,都設法增加保護功能,提高保護功能的有效性。
在變頻器保護功能的領域,廠商可謂使盡解數,作好文章。這樣,也就形成了變頻器保護電路的多樣性和復雜性。有常規的檢測保護電路,軟件綜合保護功能。有些變頻器的驅動電路模塊、智能功率模塊、整流逆變組合模塊等,內部都具有保護功能。
圖2.4所示的電路是較典型的過流檢測保護電路。由電流取樣、信號隔離放大、信號放大輸出三部分組成。
3)開關電源電路
開關電源電路向操作面板、主控板、驅動電路及風機等電路提供低壓電源。圖2.5富士G11型開關電源電路組成的結構圖。
直流高壓P端加到高頻脈沖變壓器初級端,開關調整管串接脈沖變壓器另一個初級端后,再接到直流高壓N端。開關管周期性地導通、截止,使初級直流電壓換成矩形波。由脈沖變壓器耦合到次級,再經整流濾波后,獲得相應的直流輸出電壓。它又對輸出電壓取樣比較,去控制脈沖調寬電路,以改變脈沖寬度的方式,使輸出電壓穩定。
4)主控板上通信電路
當變頻器由可編程(PLC)或上位計算機、人機界面等進行控制時,必須通過通信接口相互傳遞信號。圖2.6是LG變頻器的通訊接口電路。
頻器通信時,通常采用兩線制的RS485接口。西門子變頻器也是一樣。兩線分別用于傳遞和接收信號。變頻器在接收到信號后傳遞信號之前,這兩種信號都經過緩沖器A1701、75176B等集成電路,以保證良好的通信效果。
所以,變頻器主控板上的通信接口電路主要是指這部分電路,還有信號的抗干擾電路。
5)外部控制電路
變頻器外部控制電路主要是指頻率設定電壓輸入,頻率設定電流輸入、正轉、反轉、點動及停止運行控制,多檔轉速控制。頻率設定電壓(電流)輸入信號通過變頻器內的A/D轉換電路進入CPU。其他一些控制通過變頻器內輸入電路的光耦隔離傳遞到CPU中。
在下面文章中,上傳了有關變頻器的維修知識供大家分享!
根據大家對我的提議以及對我的支持,現在將一些變頻器最基本,基礎的知識貢獻給大家。
變頻器開關電源電路
變頻器開關電源主要包括輸入電網濾波器、輸入整流濾波器、變換器、輸出整流濾波器、控制電路、保護電路。開關電源電路如下圖,是由UC3844組成的開關電路:
開關電源主要有以下特點:
1,體積小,重量輕:由于沒有工頻變頻器,所以體積和重量吸有線性電源的20~30%
2,功耗小,效率高:功率晶體管工作在開關狀態,所以晶體管的上功耗小,轉化效率高,一般為60~70%,而線性電源只有30~40%
二極管限幅電路限幅器是一個具有非線性電壓傳輸特性的運放電路。其特點是:當輸入信號電壓在某一范圍時,電路處于線性放大狀態,具有恒定的放大倍數,而超出此范圍,進入非線性區,放大倍數接近于零或很低。在變頻器電路設計中要求也是很高的,要做一個好的變頻器維修技術員,了解它也相當重要。(信息來源:www.dqjsw.com.cn電氣自動化技術網)
1、 二極管并聯限幅器電路圖如下所示:
2、二極管串聯限幅電路如下圖所示:
變頻器控制電路組成
如圖1所示,控制電路由以下電路組成:頻率、電壓的運算電路、主電路的電壓、電流檢測電路、電動機的速度檢測電路、將運算電路的控制信號進行放大的驅動電路,以及逆變器和電動機的保護電路。
在圖 1點劃線內,無速度檢測電路為開環控制。在控制電路增加了速度檢測電路,即增加速度指令,可以對異步電動機的速度進行控制更精確的閉環控制。
1)運算電路將外部的速度、轉矩等指令同檢測電路的電流、電壓信號進行比較運算,決定逆變器的輸出電壓、頻率。
2)電壓、電流檢測電路
與主回路電位隔離檢測電壓、電流等。
3)驅動電路
為驅動主電路器件的電路,它與控制電路隔離使主電路器件導通、關斷。
4)I/0輸入輸出電路
為了變頻器更好人機交互,變頻器具有多種輸入信號的輸入 (比如運行、多段速度運行等)信號,還有各種內部參數的輸出“比如電流、頻率、保護動作驅動等)信號。
5)速度檢測電路
以裝在異步電動軸機上的速度檢測器 (TG、PLG等)的信號為速度信號,送入運算回路,根據指令和運算可使電動機按指令速度運轉。
6)保護電路
檢測主電路的電壓、電流等,當發生過載或過電壓等異常時,為了防止逆變器和異步電動機損壞,使逆變器停止工作或抑制電壓、電流值。
逆變器控制電路中的保護電路,可分為逆變器保護和異步電動機保護兩種,保護功能如下
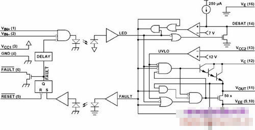
變頻器驅動電路的HCPL-316J特性
HCPL-316J是由Agilent公司生產的一種IGBT門極驅動光耦合器,其內部集成集電極發射極電壓欠飽和檢測電路及故障狀態反饋電路,為驅動電路的可靠工作提供了保障。其特性為:兼容CMOS/TYL電平;光隔離,故障狀態反饋;開關時間最大500ns;“軟”IGBT關斷;欠飽和檢測及欠壓鎖定保護;過流保護功能;寬工作電壓范圍(15~30V);用戶可配置自動復位、自動關閉。DSP與該耦合器結合實現IGBT的驅動,使得IGBT VCE欠飽和檢測結構緊湊,低成本且易于實現,同時滿足了寬范圍的安全與調節需要。
HCPL-316J保護功能的實現
HCPL-316J內置豐富的IGBT檢測及保護功能,使驅動電路設計起來更加方便,安全可靠。其中下面詳述欠壓鎖定保護(UVLO) 和過流保護兩種保護功能的工作原理:
(1)IGBT欠壓鎖定保護(UVLO)功能
在剛剛上電的過程中,芯片供電電壓由0V逐漸上升到最大值。如果此時芯片有輸出會造成IGBT門極電壓過低,那么它會工作在線性放大區。HCPL316J芯片的欠壓鎖定保護的功能(UVLO)可以解決此問題。當VCC與VE之間的電壓值小于12V時,輸出低電平,以防止IGBT工作在線性工作區造成發熱過多進而燒毀。示意圖詳見圖1中含UVLO部分。
圖1 HCPL-316J內部原理圖
(2)IGBT過流保護功能
HCPL-316J具有對IGBT的過流保護功能,它通過檢測IGBT的導通壓降來實施保護動作。同樣從圖上可以看出,在其內部有固定的7V電平,在檢測電路工作時,它將檢測到的IGBT C~E極兩端的壓降與內置的7V電平比較,當超過7V時,HCPL-316J芯片輸出低電平關斷IGBT,同時,一個錯誤檢測信號通過片內光耦反饋給輸入側,以便于采取相應的解決措施。在IGBT關斷時,其C~E極兩端的電壓必定是超過7V的,但此時,過流檢測電路失效,HCPL-316J芯片不會報故障信號。實際上,由于二極管的管壓降,在IGBT的C~E 極間電壓不到7V時芯片就采取保護動作。
整個電路板的作用相當于一個光耦隔離放大電路。它的核心部分是芯片HCPL-316J,其中由控制器(DSP-TMS320F2812)產生XPWM1及XCLEAR*信號輸出給HCPL-316J,同時HCPL-316J產生的IGBT故障信號FAULT*給控制器。同時在芯片的輸出端接了由NPN和PNP組成的推挽式輸出電路,目的是為了提高輸出電流能力,匹配IGBT驅動要求。
當HCPL-316J輸出端VOUT輸出為高電平時,推挽電路上管(T1)導通,下管(T2)截止, 三端穩壓塊LM7915輸出端加在IGBT門極(VG1)上,IGBT VCE為15V,IGBT導通。當HCPL-316J輸出端VOUT輸出為低電平時,上管(T1)截止,下管(T1)導通,VCE為-9V,IGBT關斷。以上就是IGBT的開通關斷過程。
深圳市海藍機電設備有限公司(www.hai-cheng.cn)銷售和批發:三菱變頻器、三菱plc、三菱觸摸屏、三菱伺服電機等工控自動化產品.電話:400-8819130 0755-88356296(10線) 大客戶:13823726967 吳經理
本文原創自:深圳海藍機電設備有限公司,如果你對變頻器維修感興趣請閱讀我們的文章:http://www.hai-cheng.cn/article/146.html
【相關閱讀】




評論信息