教你學會怎樣看三菱PLC梯形圖
剛入行的小白們看到三菱PLC梯形圖時,都有一種有心無力的感覺,不知從何處開始著手,當真是欲哭無淚啊!但今天大家的福利來了,海藍機電將簡單的概括性的教會大家看懂三菱PLC梯形圖!
初學PLC梯形圖編程時,一定要遵循其應有的規則,并養成良好的習慣。本文以三菱FX系列PLC為例,簡單概括介紹一下三菱PLC梯形圖編程時需要遵循的規則,讓大家了解該怎樣去看懂三菱PLC梯形圖編程,希望對大家有所幫助。有一點需要說明的是,本文雖以三菱PLC為例,但這些規則在其它PLC編程時也是一定要遵循的。
一,PLC梯形階梯都是始于左母線,終于右母線(通常可以省掉不畫,僅畫左母線)。每行的左邊是接點組合,表示驅動邏輯線圈的條件,而表示結果的邏輯線圈只能接在右邊的母線上。接點不能出現在線圈右邊。如下圖(a)應改為(b):

二,接點要畫在水平線上,不可以畫在垂直線上,如下圖(a)中的接點X005與其它接點間的關系不能識別。對此類橋式電路,應按從左到右,從上到下的單向性原則,單獨畫出所有的去路。如圖(b)所示:

三,并聯塊串聯時,應將接點多的去路放在梯形圖左方(左重右輕原則);串聯塊并聯時,應將接點多的并聯去路放在梯形圖的上方(上重下輕的原則)。這樣做,程序簡潔,從而減少指令的掃描時間,這對于一些大型的程序尤為重要。如下圖所示:

四,不宜使用雙線圈輸出。若在同一梯形圖中,同一組件的線圈使用兩次或兩次以上,則稱為雙線圈輸出或線圈的重復利用。雙線圈輸出一般梯形圖初學者容易犯的毛病之一。在雙線圈輸出時,只有最后一次的線圈才有效,而前面的線圈是無效的。這是由PLC的掃描特性所決定的。
PLC的CPU采用循環掃描的工作方式。一般包括五個階段(如圖所示):內部診斷與處理,與外設進行通訊,輸入采樣,用戶程序執行和輸出刷新。當方式開關處于STOP時,只執行前兩個階段:內部診斷與處理,與外設進行通訊。

1,輸入采樣階段
PLC順序讀取每個輸入端的狀態,并將其存入到我們稱之為輸入映像寄存器的內在單元中。當進入程序執行階段,如輸入端狀態發生改變.輸入映象區相應的單元信息并不會跟著改變,只有在下一個掃描周期的輸入采樣階段,輸入映象區相應的單元信息才會改變。因此,PLC會忽視掉小于掃描周期的輸入端的開關量的脈沖變化。
2,程序執行階段
PLC從程序0步開始,按先上后下,先左后右的順序掃描用戶程序并進行邏輯運算。PLC按輸入映象區的內容進行邏輯運算,并把運算結果寫入到輸出映象區,而不是直接輸出到端子。
3,輸出刷新階段
PLC根據輸出映象區的內容改變輸出端子的狀態。這才是PLC的實際輸出。
以上簡單說明了PLC的工作原理,下面我們再以實例說明為什么編寫梯形圖程序,不宜重復使用線圈。如下圖所示,設輸入采樣時,輸入映象區中X001=ON,X002=OFF,Y003-ON,Y004=ON被實際寫入到輸出映象區。但繼續往下執行時,因X002=OFF,使Y003=OFF,這個后入為的結果又被寫入輸出映象區,改變原Y003的狀態。所以在輸出刷新階段,實際外部輸出Y003=OFF,Y004=ON。許多新手就碰到過這樣的問題,為什么X001已經閉合了,而Y003沒有輸出呢?邏輯關系不對。其實就是因為雙線圈使用造成的。

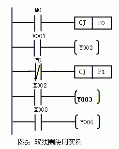
注意:我們所說的是不宜(最好不要)使用雙線圈,雙線圈使用并不是絕對禁止的,在一些特殊的場合也可以使用雙線圈,這時就需要你有較豐富的編程經驗和技巧了。下面我們會談到這一點。但對于初學者還是不要冒這個險。其實,從以上的例子可以看出,重復利用線圈之所以會造成Y003的輸出混亂,是由于程序是從上到下順序執行的緣故造成的。但如果我們可以改變程序執行的順序,保證在任何時刻兩個線圈只有一個驅動邏輯發生,就可以使用雙線圈。其中,最常用的方法就是使用跳轉指令。如下圖所示:

程序分析:M0閉合,程序跳至P0處(不執行X001語句),M0常閉斷開,CJ P1不會發生,執行下一語句。此時,Y003將X002狀態進行驅動。M0斷開時,程序順序執行并按X001的狀態對T003進行驅動,M0常閉閉合,跳至P1按X003狀態對Y004進行驅動,即跳過了X002驅動Y003的語句。可見,在同一時刻,Y003驅動只有一個可以發生。此時,雙線圈利用是可以的。
但在梯形圖編程時,我們還是要盡量避免使用雙線圈,而引入輔助繼電器是一個常用的方法。如下圖所示:

圖(b)中,X001和X002接點控制輔助繼電器M000,X003~X005接點控制輔助繼電器M001,再由兩個繼電器M000,M001接點的并聯組合去控制線圈Y000。這樣邏輯關系沒變,卻把雙線圈變成單線圈。
讀完以上內容,諸位看官們能夠懂三菱PLC梯形圖了嗎?如果你還未看懂或是對三菱PLC編程有什么需求的則可以聯系海藍機電技術部,我們將為你解答你的疑問和為你編寫出你需要的程序!聯系電話:0755-32920510 QQ:2355852220
相關內容
發表評論
| 姓名: | |
| 內容: | |
| 驗證碼: |
|
1.尊重網上道德,遵守中華人民共和國的各項有關法律法規,不發表攻擊性言論。 |




評論信息