如何設置plc輸出點數才能更好的控制負載
在使用三菱plc的過程中通常要涉及到輸出點數的設置,但不同系列的點數又不相同(如三菱FX系列里的2N和3U又不一樣),但是都可以查找相關參數來解決,重點是我們要如何設置plc輸出點數才能更好的控制負載。下面我們就來講一講,主要包括分組輸出、矩陣輸出、并聯輸出等。具體如下:
1、分組輸出 如圖1所示,當兩組負載不會同時工作時,可通過外部轉換開關或受PLC控制的電器觸點進行切換,使PLC的一個輸出點可以控制兩個不同時工作的負載。

圖1
2、矩陣輸出 如圖2所示為4×4矩陣輸出電路,用8個輸出點可控制16個負載。要使某個負載接通工作,只要它所在的行與列對應的輸出繼電器接通即可。例如,當Y010與Y004同時接通時,KM1得電吸合。應當注意的是:當只有某一行對應的輸出繼電器接通,各列對應的輸出繼電器才可以任意接通;或者當只有某一列對應的輸出繼電器接通,各行對應的輸出繼電器才可以任意接通。否則將會錯誤接通負載。因此,采用矩陣輸出時,必須將同一時間段接通的負載安排在同一行或同一列中,否則將無法控制。

圖2
3、并聯輸出 通斷狀態完全相同的負載,可以并聯后共用PLC的一個輸出點(要考慮PLC輸出點的負載驅動能力)。例如PLC控制的交通信燈,對應方向(東與西對應、南與北對應)的燈通斷規律完全相同,將對應的燈并聯后可以節省一半的輸出點。
4、負載多功能化 一個負載實現多種用途。例如,在傳統的繼電控制系統中,一個指示燈只指示一種狀態。在PLC控制系統中,利用PLC的軟件很容易實現利用一個輸出點控制指示燈的常亮和閃亮,這樣就可以利用一個指示燈表示兩種不同的信息,從而節省PLC的輸出點。
5、某些輸出信號不進入PLC 系統中某些相對獨立、比較簡單的部分可以考慮不用PLC來控制,直接采用繼電器控制即可。
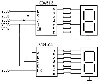
6、利用輸出點擴展輸出點 與利用輸出點擴展輸入點相似,也可以用輸出點分時控制一組輸出點的輸出內容。例如:在輸出端口上接有多位LED7段碼顯示器時,如果采用直接連接,所需的輸出點是很多的。這時可使用圖3的電路利用輸出點的分時接通逐個點亮多位LED7段碼顯示器。在圖3所示的電路中,CD4513是具有鎖存、譯碼功能的專用共陰極7

圖3
段碼顯示器驅動電路,兩只CD4513的數據輸入端A~D共用可編程序控制器的4個輸入端,其中A為最低位,D為最高位。LE端是鎖存使能輸入端,在LE信號的上升沿將數據輸入端的BCD數據鎖存在片內的寄存器中,并將該數譯碼后顯示出來,LE為低電平時,顯示器的數不受數據輸入信號的影響。顯然,N位顯示器所占用的輸出點P=4+N。圖3中Y004及YOO5分別接通時,輸出的數據分別送到上下兩片CD4513中。
以上就本文的所有內容,希望對大家了解三菱plc有所幫助,更多關于三菱產品服務和技術服務,可到深圳海藍機設備電官網(www.hai-cheng.cn或www.plc-cclink.com)進行咨詢,或拔打聯系電話:0755-88356296 詳詢!




評論信息