PLC線路閃爍控制梯形圖
PLC線路閃爍控制梯形圖
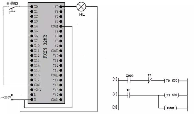
線路與梯形圖說明如下:
將開關QS閉合→X000常開觸點閉合→定時器T0開始3s計時→3s后,定時器T0動作,T0常開觸點閉合→定時器T1開始3s計時,同時Y000得電,Y0端子內部硬觸點閉合,燈HL點亮→3s后,定時器T1動作,T1常閉觸點斷開→定時器T0復位,T0常開觸點斷開→Y000線圈失電,同時定時器T1復位→Y000線圈失電使燈HL熄滅;定時器T1復位使T1閉合,由于開關QS仍處于閉合,X000常開觸點也處于閉合,定時器T0又重新開始3s計時。
以后重復上述過程,燈HL保持3s亮、3s滅的頻率閃爍發光。
海藍機電為你提供機器人視覺、上位機軟件、自動化開發、機電設備維修等技術服務。
深圳市海藍機電設備有限公司(www.hai-cheng.cn)專業經營:三菱PLC、三菱伺服電機、三菱變頻器、三菱觸摸屏等工控自動化產品的批發和代理工作。
電話:0755-88356296(10線) 吳經理:13823726967
本文原創自:深圳海藍機電設備有限公司,轉載請注明出處:http://www.hai-cheng.cn/article/843.html.




評論信息