三菱PLC-FX2N系列產品的外部結構講解
這篇文章主要帶大家了解一下三菱PLC-FX2N系列產品的外部結構,關注海藍機電,帶你去自動化知識的海洋里遨游。
控制系統的設計中,雖然接線工作量的比重減小,但它是編程設計工作的基礎。只有在正確無誤地完成接線的前提下,才能確保編程設計工作的順利進行。FX2N系列接線端子排列如圖1所示。
圖1 PLC-FX2N系列的接線端子排列示例(FX2N-32MR)
(1)輸入口器件的介入
PLC的輸入口連接輸入信號器件主要有開關、按鈕及各種傳感器這些都是觸點類型的器件。在接入PLC時,每個觸點的兩個接頭分別連接一個輸入點及輸入公共端。
(2)輸出口器件的接入
PLC的輸出口上連接的器件主要是繼電器、接觸器、電磁閥的線圈。這些器件均采用PLC機外的專用電源供電內部不過是提供一組開關接點。接入時線圈的一端接輸出點螺釘,一端經電源接輸出公共端。
PLC輸出口的電流定額一般為2A,大電流的執行器件須配裝中間繼電器。
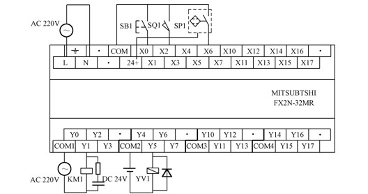
(3)外部接線示例
FX2N-32MR型為例,在PLC的輸入端接入一個按鈕、一個限位開關,還有一個接近開關;輸出為一個220V的交流接觸器和一個電磁閥。
圖2 PLC-FX2N系列外部接線示例
以上就是關于三菱PLC-FX2N系列產品的外部結構講解的主要內容了,關注海藍機電,定期分享自動化知識。
深圳市海藍機電設備有限公司(www.hai-cheng.cn)專業經營:三菱PLC、三菱伺服電機、三菱變頻器、三菱觸摸屏等工控自動化產品的批發和代理。同時提供機器人視覺、自動化開發、上位機軟件、機電設備維修等技術服務。
電話:0755-88356296(10線) 吳經理:13823726967




評論信息