
- 三菱PLC模塊QD75D4和QD75D4N差異
- 最近有客戶在選擇三菱PLC模塊型號時,遇到了些許難題,其分不清三菱PLC模塊QD75D4和QD75D4N差異有哪些,不知選擇哪個型號最為適中。于是便向海藍機電技術人員咨詢,以下是海纜技術員對此問題的解答: 共同點:三菱PLC模塊QD75D4和QD75D4N...

- 學會了這些才能實現三菱信息的控制
- 想要實現三菱信息的控制必先要熟悉了三菱FX PLC常用的功能指令然后才能更一步去操作相應三菱plc的程序。 包括模擬量控制、通信控制、定位控制這些內容。假如你的工作工程中主要是應用到通信控制,那么就選擇先學習...

- 三菱plc編程案例
- 海藍機電擁有專業的plc編程技術,三菱變頻器和三菱伺服電機等產品都有應用;為了更好的服務廣大用戶,就為大家解說一個案例。這次介紹M代碼功能,又稱“M代碼輸出功能”,提到它可以實現軸1定位完成后自動啟動軸2定位,軸2定位完成后...

- 三菱FX3U系列PLC輸出接線方法
- 三菱FX3U系列PLC輸出接線方法 不管使用哪種型號的三菱PLC,都需要掌握其接線方式,明白三菱PLC所接電源是多少,知道怎么把信號接入到PLC里面,怎么用PLC的輸出信號來控制負載,模擬量信號的輸入和輸出怎么接,等等我們都需要掌握,在...

- 使用三菱工控產品時異常的問題解析
- 在使用三菱工控產品時,特別是剛開始使用,在程序調試過程中難免會遇到很多奇奇怪怪的事情。比如三菱plc指令執行異常,三菱伺服電機不ON,電機不轉等問題,那么下面就由海藍機電小編來為大家帶來這三個問題的解析,希望大家能有所收獲...

- 三菱Q系列 PLC與歐姆龍溫控器通過MC協議通訊案例
- 一些需要溫度控制的設備通過溫控器進行溫度的調節,三菱Q系列PLC通過通訊的方式對溫控器進行控制及數據讀取。之前一些客戶使用三菱PLC模塊QJ71C24N與歐姆龍溫控器(E5EC)通過Modbus/RTU進行通訊,這種方式需要PLC編寫相應的梯形圖程序。 ...

- 三菱PLC軟件 MX Component 系統標簽功能
- 今天給大家介紹的是,使用三菱MX Component 系統標簽功能如何訪問三菱PLC的32位數據。我們在安裝三菱PLC軟件MX Component完成以后會有Label Utility,這個軟件就是用于設置系統標簽庫的,同時它本身也會對微軟的office ACCESS進行訪問...

- 三菱伺服選型軟件MOTSZ111E的使用說明
- 三菱伺服選型軟件是MOTSZ111E,輸入機械參數及運行相關數據,用戶可以方便地選擇最合適的三菱伺服放大器、三菱伺服電機(包括制動器)和再生制動選件。 關于三菱伺服的選型,還真不算是一件簡單的事情,涉及到機械組成、機械運...

- 三菱電機官網下載三菱工控產品用戶手冊的小技巧
- 在三菱電機中國官網上,有些三菱工控產品用戶手冊隱藏得還真有點深......主要是三菱工控產品分類的概念上有些重合導致的。所以常有用戶在三菱官網找不到相應的資料,十分迷茫。其實在三菱官網找三菱工控產品用戶手冊還是有些小技巧的,下面...

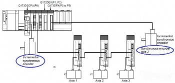
- 三菱PLC高級同步控制的應用
- 此前我們通過兩個簡單案例介紹了指令生成軸與三菱伺服輸入軸作為三菱PLC高級同步控制系統的主軸。而輸入軸的類型還有一種是同步編碼器軸。那么,同步編碼器軸有什么用?怎么用呢? 同步編碼器軸的定義為: 通過外...

- 三菱伺服放大器一鍵式調整操作教程
- 三菱伺服放大器在投入正式使用前,最好都應該進行三菱伺服調整,以使三菱伺服放大器及伺服電機的性能能與連接機械的特性更好地匹配。否則,在設備調試或使用過程中將可能發生機械振動、抖動、異響,如以下情況: ...

- 三菱伺服放大器緊急停止報警時該如何處理
- 有很多用戶在使用三菱伺服放大器時,發現其很容易出現的一個三菱伺服報警代碼是E6.1。特別是新手們,遇到的次數可不要太多哦!那么海藍機電小編今天就在此與諸君探討一番,給新手同學們提供些三菱伺服放大器緊急停止報警處理辦法! 這...

- 三菱伺服J4-B/JE-B如何進行轉矩控制、速度控制
- 使用過三菱伺服J4-A、JE-A系列的朋友會發現,通過三菱伺服參數可以修改三菱伺服放大器的控制方式,還可以選擇位置控制模式、速度控制模式、轉矩控制模式,還有模式間的切換。 但是在使用三菱伺服J4-B/JE-B時,卻發現三菱伺服...

- 三菱PLC定位模塊QD75D4N抖動該如何解決
- 海藍機電客戶的設備上有一個軸進行來回的直線定位,設備使用三菱PLC定位模塊QD75D4N,伺服使用的是三菱伺服放大器MR-JE系列。 據該客戶反映,三菱PLC定位模塊QD75D4N定位時加減速沖擊較大,設備容易晃動,使用了S型曲線加減速功能也沒有效...

- 三菱PLC定位數據的運行模式
- 使用三菱PLC簡易運動控制模塊進行定位,就需要使用到三菱PLC定位數據。 當我們打開定位數據,就會看到第一個選項是運行模式,如下圖所示, 定位數據的運行模式有三種:分別是結束、連續、軌...

- 三菱PLC簡易運動模塊編程小技巧
- 上次說到三菱PLC簡易運動模塊FX5-40SSC的三菱PLC編程樣例程序,對于三菱PLC模塊的編程控制主要通過操作緩沖存儲器來實現。 在三菱PLC簡易運動控制模塊設置工具的幫助里找到緩沖存儲器地址一覽,如下圖 點開之后出現一...

- 三菱PLC模擬量模塊FX2N-2AD零點和增益調整方法說明
- 對于三菱PLC模塊FX2N-2AD來說,他的零點和增益的調整跟我們使用別的模擬量模塊的調整是不一樣的,比如說三菱PLC模塊FX2N-4AD的調整,我們可以通過改變三菱PLC模塊FX2N-4AD里面的相應的BFM緩沖區的值來進行調整,而FX2N-2AD的模塊,我們需要...

- 三菱PLC簡易運動模塊FX5-40SSC樣例程序
- 三菱PLC模塊FX5-40SSC是三菱FX5U系列PLC中的簡易運動模塊,支持四軸定位及運動控制。可與三菱伺服放大器連接,可使用1臺手動脈沖發生器,可使用同步編碼器4臺。 下面簡單介紹使用FX5-40SSC時如何進行編程。 ...

- 三菱觸摸屏能通訊但不能下載程序該如何處理
- 最近有一個客戶在使用三菱觸摸屏GT2310-VTBD時,發現該三菱觸摸屏下載能通訊但是不能下載程序進去,于是便向我司技術人員求助!由于此問題經常有客戶提到,所以特此在將其的解決辦法分享給諸位三菱觸摸屏用戶們! 三菱觸...

- 關于三菱Q系列PLC的一些客戶常咨詢的技術問答
- 這段時間,有許多新老顧客朋友們問了一些與三菱Q系列PLC相關的技術問題,有的問題較為簡單,回答出的文字較為精短,無法單獨形成文章。所以海藍機電小編特此將這些三菱Q系列PLC的技術問答整理出一個集錦,希望諸位朋友都能夠在其中...



