
- 三菱plc控制溫度案例
- 三菱plc控制的應用非常廣泛,今天主要講的是三菱plc搭配三菱FX系列模塊來控制溫度的案例。 溫度控制系統廣泛運用于工業控制的多個領域,溫控系統控制方法的好壞、運行性能的臺適與否,直接影響到產品質量、運行效率...

- 三菱plc對伺服放大器的通訊功能
- 三菱plc對伺服放大器的通訊功能 三菱plc和其關聯產品的使用有不同的使用方式,也能達到不一樣的功能效果,下面以三菱plc與三菱伺服放大器為例為大家講解,具體如下: 三菱MR-J3-A系列伺服放大器具有RS-422串行通訊功能,可以用...

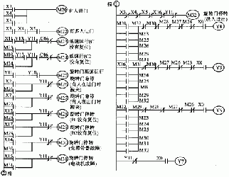
- 三菱plc在生活中的應用
- 在現代的生活中,自動化不光應用在工業中,在生活中也逐步普及(如自動門),自動化給我們帶來了諸多的快捷和便利,今天就來講講三菱plc的生活的應用,下面就plc與自動門為例進行講解。 在現代生活中自動旋轉門越來越多,考...

- 三菱plc如何更好的控制控制變頻器
- 三菱plc怎樣能實現對變頻器更好的控制讓我們我生產更加便捷?今天小編特意為大家整理了相關的應用,具體如下: 這次將為大家介紹的是一種非常簡便的三菱FX系列plc通訊方式控制變頻器的方法:它只需在PLC主機上安裝一塊RS-485通訊...

- 在使用三菱FX系列步進指令時的注意事項
- 三菱FX系列在工業中是應用比較廣泛的三菱plc產品,所以它的控制指令也是我們弄懂的,那今天就先講講三菱FX系列產品時步進指令控制的注意事項。 一、步進指令( STL/RET ) 步進指令是專為順序控制而設計的指令。在工...

- 三菱變頻器參數設置時的注意事項
- 三菱變頻器在使用的過程中需要設置許多的參數,而通常在設置參數的時候,可能因為某種原因導致設置的參數時不在其設置的范圍內,從而導致變頻器需要工作的時候不能正常工作。那么我們在使用三菱變頻器應該注意些什么呢? 首...

- 細說三菱plc的輸出形式的差異
- 目前三菱plc輸出電路形式總體概括有3種,分別為:繼電器輸出式、晶體管輸出式和晶閘管輸出式。那么它們各自的特點是怎樣的呢?配圖詳解如下。 繼電器輸出電路。 一、繼電器輸出電路 繼電器輸出電路的plc是...

- 三菱plc輸入電路如何接?
- 市場上plc種類有很多,那么plc的輸入電路要怎么去接呢?今天就拿使用普遍的三菱plc來說一說。 一般情況下三菱plc輸入電路可分為三種類型.其中用的較多的占兩種,一種是直流的12-24V輸入,另一種就是交流的100-120V...

- 選擇三菱plc的4個理由
- 通常在有plc需求時都會認真的去選擇適合自己的產品,那么我們該考慮那些因素呢?,而后面很多人選擇了三菱plc,又是因為什么呢,那我們就來說說選擇三菱plc的理由。 1、開關量邏輯控制:這是PLC最基本最廣泛的應用,三菱PLC...

- 三菱觸摸屏典型故障及處理
- 之前小編跟講了,關于三菱plc問題的處理方法,今天要講的是三菱觸摸屏典型問題的簡單處理方式。 一、表面聲波觸摸屏 1、故障一:觸摸偏差現象 現象⑴:手指所觸摸的位置與鼠標箭頭沒有重合。原因:安裝完驅動程序...

- 三菱PLC如何能快速檢測
- 三菱plc可編程序控制器在工業生產中得到了廣泛的應用,不過關于三菱plc如何更快速的檢修這一問題,有許多的工程師都不得其要領,下面為您說一說三菱PLC檢修的一些技巧(這些方法適用于三菱plc中各系列的產品檢測,如FX系列等)。...

- 三菱PLC-Q系列常見的18個問題
- 近段時間有許多用戶問到關于三菱plc中Q系列的一些常見問題,為方便大家所以小編整理了該方面的18個常見問題及處理方式,詳情如下。 1問:如何獲得Quantum內部的一些系統狀態?以及RIO分站或DIO分站每個I/...

- 三菱plc選擇的一些原則
- 近年來plc在工業控制中的應用不斷的得到推廣普及,市面上的plc產品的種類繁多,因此plc的指令系統、編程方法、大小型號、性能、容量等參數也有不同。所以選擇一款合適的plc,才能幫助提高plc在控制系統中的使用。 而三菱plc公司產品...

- 如何設置plc輸出點數才能更好的控制負載
- 在使用三菱plc的過程中通常要涉及到輸出點數的設置,但不同系列的點數又不相同(如三菱FX系列里的2N和3U又不一樣),但是都可以查找相關參數來解決,重點是我們要如何設置plc輸出點數才能更好的控制負載。下面我們就來講一講,主...

- 三菱變頻器通訊功能案例講解
- 變頻器的通訊問題也是我們時常遇到和需要去解決的,那么今天就給大家講講三菱變頻器的案例,以與總線連接為例子,具體如下。 三菱 A 、F、 E 系列變頻器具有與 PROFIBUS-DP現場總線連接的通訊功能,三菱PLC-Q系列也可做主站...

- 三菱變頻器FR-840系列參數
- 無論哪一款變頻器都有一系列的產品,其參數也各不相等,所以大家在選擇時候就必須要了解變頻器的參數,才能選到適合自己所需要的,下面以三菱變頻器為例,內容如下。 三菱FR-F800系列FR-F840-04810-2-60變頻器,在全球溫室效應日...

- 三菱伺服放大器的安裝與注意事項
- 大家好,小編我又來了,大家是不是迫不及待想知道小編今天為大家分享什么內容呢?好了廢話不多說,今天要講的是三菱伺服放大器的安裝與注意事項,主要以三菱伺服電機中的三菱伺服電機MR-JE系列為例;具體內容如下所示, 一、安裝方向和間...

- 三菱plc中FX系列的FX2N-4DA外部連接的方法
- 今天已經是17年6月21日,小編就跟大家分享一下我在海藍機電工程師那里了解到的內容,主要內容是關于三菱plc中FX系列的FX2N-4DA與外部連接的方法。具體如下: 三菱FX2N-4DA為12位高精度模擬量輸出模塊,具有4個D/A輸入通道,輸出信號的類...

- 三菱觸摸屏的三種報警顯示及處理
- 之前時常會有顧客向我們海藍機電咨詢一些三菱觸摸屏的報警,為了讓大家在技術員不在的情況下也能方便處理一些報警,所以小編組織了一些常見的三菱觸摸屏報警的處理方法,希望對大家有所幫助。 首先系統報警的概念:系統...

- 三菱PLC通訊簡介
- 在之前的跟大家分享的多為產品為主,今天小編為大家換一下口味,簡單聊一聊三菱plc通訊。詳情如下。 為了適應PLC網絡化要求,擴大聯網功能,三菱PLC為了適應可編程控制器網絡化的要求,擴大聯網功能,為可編程控制器開發了...



